手机版
|
繁
|
无障碍阅读
|
关怀版
首页
要闻动态
政务公开
政务服务
走进河源
政民互动
首页
>
政务公开
>
重点领域信息
>
征地信息公开
>
一书四方案(一书三方案)
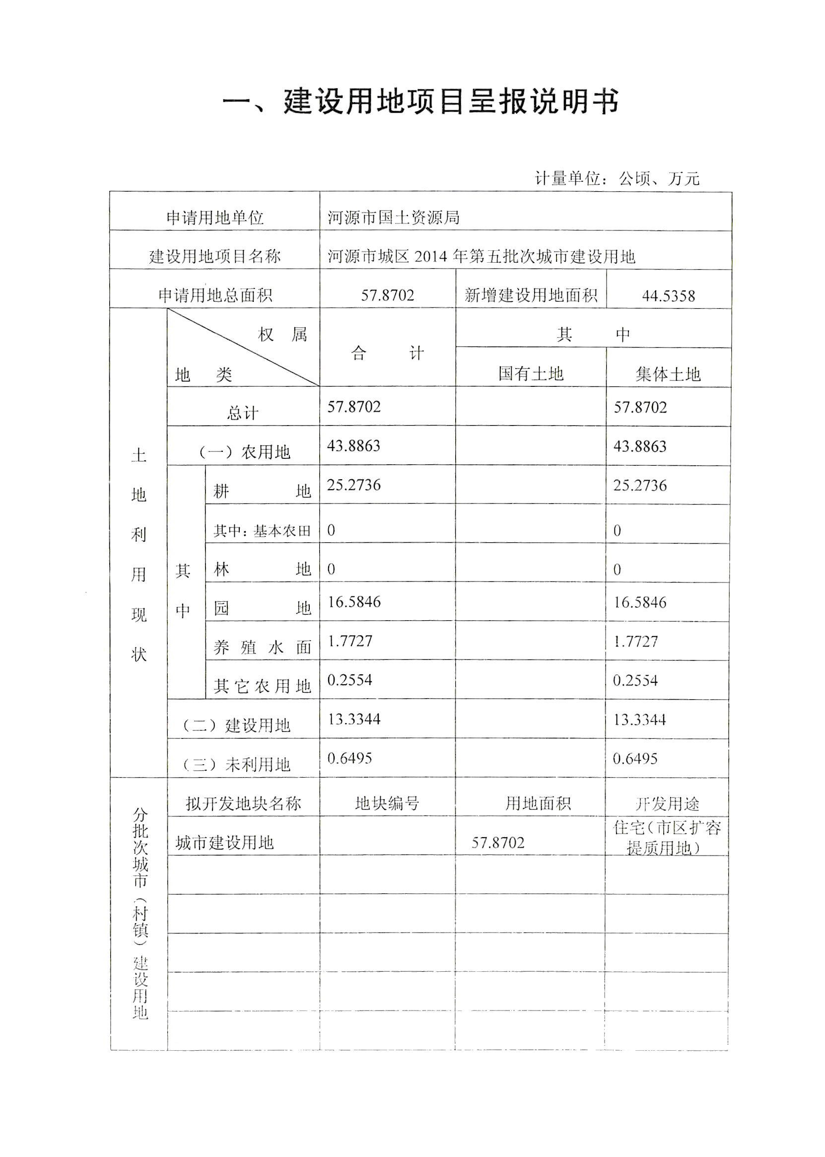
河源市城区2014年度第五批次城镇建设用地
发布日期:2014-02-21 00:00:00
来源:本站
作者:
阅读人次:
-
【字体大小:
大
中
小
默认
】 分享
微信扫一扫:分享
扫一扫,分享给好友或朋友圈
信息来源:国土资源局